免费观看全黄做爰大片国产,裸体做a爰片毛片a片免费,成人做爰a片免费看网站找不到了,特级做a爰片毛片免费看108,毛阿敏性做爰a片免费看,成人做爰a片免费看网站白嫖者联,做爰性生交大片免费看夜战八女,成人做爰a片免费看网站下载爱奴,大学生做爰a片免费看网站

歡迎光臨恒磁科技,我們為你提供磁分離機、磁性過濾器、除鐵機等磁選設備。
產品推薦:磁性過濾器 磁分離機 除鐵機
銷售熱線:18863691282
當前位置:首頁  >  電磁除鐵機  >  RCDEJ型強迫油循環電磁除鐵機
  • RCDEJ型強迫油循環電磁除鐵機
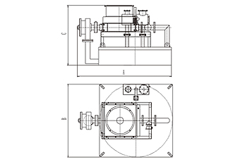
RCDEJ型強迫油循環電磁除鐵機

RCDEJ型強迫油循環電磁除鐵機

  • 生產廠家:恒磁磁分離設備
  • 價格:面議
  • 電話:18863691282
  • 產品描述:RCDEJ型強迫油循環電磁除鐵機適用于輸煤港口、大型火電廠、煤礦等對除鐵要求特別高的場所。用于懸掛在大型輸送皮帶上方,能清理煤中炮線等細小鐵件,對清理雜鐵,提高物料品位起到重要的作用,可在粉塵、潮濕、鹽霧腐蝕嚴重的惡劣環境下運行。
  • 在線訂購
“RCDEJ型強迫油循環電磁除鐵機”詳細介紹:


產品介紹:

RCDEJ型強迫油循環電磁除鐵機適用于輸煤港口、大型火電廠、煤礦等對除鐵要求特別高的場所。用于懸掛在大型輸送皮帶上方,能清理煤中炮線等細小鐵件,對清理雜鐵,提高物料品位起到重要的作用,可在粉塵、潮濕、鹽霧腐蝕嚴重的惡劣環境下運行。

工作原理:

技術參數: